沈阳鸿宇科技有限公司

【行业资讯】制造企业产品研发数字化转型之路

发布时间:2023-02-24 文章来源:鸿宇科技 浏览次数:2062

      随着物质生活的愈发丰富,消费者的选择和需求愈发多样化,市场已进入VUCA( Volatility,Uncertainty,Complexity,Ambiguity)时代,这使得企业对市场需求预测和响应变得更加困难。最后,市场留给企业进行产品研发和迭代的时间正在不断缩短,产品迭代不及时所带来的后果,将使企业市场份额大幅度下降。基于当前的市场背景,结合实际经验,罗列并分析了传统制造企业采用的传统产品研发策略中所面临的问题。针对这些问题,基于 MBSE、PLM 系统,数字孪生和 3D 打印技术等先进的数字化方法论和工具,逐一描述了使用这些工具解决对应痛点的思路与方法。

      研发团队应对市场需求响应慢
      20世纪60~70年代,一辆汽车经过图样、物理样车实测、定型,产品周期为6~7年。而如今,一辆普通汽车从设计到定型时间为3~4年,新产品的迭代时限也在变得越来越短。产品越快迭代入市,就意味着更大的市场份额,更快的研发投入回笼。更重要的是,能更早获取宝贵的市场反馈并迅速用于下一代产品迭代中。当企业市场部洞察,捕获和分析到市场需求变化时,这些信息本该及时传递到产品团队,但是由于传统产品管理组织结构的臃肿,这个过程往往异常缓慢。即便研发部门知悉这些需求,做出了响应,其结果也需要很长时间传导回市场。在短产业链行业中这个问题还不显著,但对于诸如汽车、民用航空工业等复杂的、供应链长的机械装备产品,每一个环节所消耗的时间成本,都是在使用企业最宝贵的市场响应速度和份额作为代价。

      团队内部沟通低效
      一件产品从需求转化为产品,第一步要求的是产品团队对需求有正确的理解,传统的产品需求都是基于文字描述的,其内容会由于解读者理解上的偏差而出现“二义性”,错误的需求解读,将会给产品的研发项目带来巨大的隐患。研发团队成员由于不同的专业背景和工作职责,对待这些文档,很容易产生“二义性”。为消除“二义性”,不论是研发团队,还是跨部门合作,需要投入大量的时间与精力去沟通、核实。这些额外的成本还会随着产品复杂度的增加和产业链的延长而迅速水涨船高。而越来越多资源的投入,除了推高产品的研发成本外,实际上对于消除“二义性”,效果非常有限。

      产品版本管理失效风险高
      产品需要不断迭代,相对旧版本产品,新版本产品中的一个或多个子系统会发生变更。而各子系统可能是由不同设计团队乃至是外部供应商来完成的,一个正确的产品版本迭代应该是其某个子系统变更后,与之相关的所有内容都应该变更并保持最新版本。但是由于机械类产品(汽车、飞行器和机械装备等)的高复杂性,在多次产品迭代后,子系统的版本数量巨大,如若管理不当,将导致系统内部版本的匹配错误,这种错误将直接传导到生产现场中,将给企业带来致命的损失。传统的版本管理(基于文档)在复杂系统产品的管理中本就需要耗费巨大的人力物力,再加上越来越多且差异巨大的产品分类,辅以高频率的变更需求。继续使用传统的管理方法,越来越多的资源投入无法有效降低产品版本的错配比率。

      市场对企业正向研发能力要求提高
      多年来,中国承接了世界各地的生产订单,凭借自身价低质优的劳动力,成长为名副其实的“世界工厂”,目前,中国生产的各类产品,大部分依旧是中低价值的工业品,甚至很多产品是依照国外同型产品逆向工程得来的。这种方式在一定程度减少了企业的研发投入,但如今,随着国家人口红利的减少,知识侵权成本增加,还有与发达国家之间不断增加的贸易摩擦,令那些一直依赖逆向工程获取利润的企业如坐针毡。市场强迫企业必须进行产品的正向研发与创新,从而获取独属于自己的竞争优势。但传统的产品研发管理流程,普遍存在目标不明确、研发流程不清晰、投入多和见效慢等问题。

      产品设计同生产条件不匹配
      任何产品都需要通过生产后才能交付客户,因此产品在设计阶段,除需要考虑产品的功能实现以外,还需要考虑到相关设计同当前生产条件的契合度,这在机械行业尤其重要。事实上,由于很多研发人员缺乏生产一线的装配工作经验,因此很多实验室中优秀的设计,在正式投产时就会遇到麻烦,例如:工装短缺,装配复杂导致的生产成本激增,甚至可能由于设计缺陷所导致的生产设备损坏乃至是报废。那么如何在产品正式投产前就能够准确评测产品的设计合理性,成为了很多企业急需解决的问题。

      复杂工业产品产业链管理协同困难
      在世界互为一体的大背景下,研发团队可能是由不同国家团队和供应商组成的。首先,这种跨区域合作,能为产品带来新颖的设计思路,亦能降低某些子系统的研发成本。但是多元团队所带来的挑战也很大,首先是巨大的沟通成本,这些成本主要由时区、语言和文化差异所导致。更麻烦的是,若产品组成来源复杂(如数控机床、汽车和民用航空器等装备),不同相关方,如客户、供应商等,他们通常都拥有不同的管理流程、不同标准的开发工具和数据管理平台。如果无法整合上下游伙伴之间的数据池,那么这个链条当中所有相关方都将被迫继续在这个复杂、低效且沟通成本高昂的产业链中互相协作。

      产品知识封装,追溯和复用能力弱
      优秀的工程师永远是研发团队最宝贵的财富,对于传统制造业,特别像机械这类看重经验的企业,很多研发项目皆是因为关键技术人员的离开而中止,即便有新专家接手,项目也会因为很多宝贵经验或知识的遗失而继续陷入困境。即便知识能够遗留下来,在无数次产品迭代后也很容易被埋没在浩如烟海的技术文档中,若依靠传统的知识管理模式,后期需要对产品数据进行分类或是设计版本溯源,都将陷入巨大的麻烦中。同时,由于始终无法有效整理和复用过去研发中获取的宝贵知识,企业始终不得不持续通过高薪留住相关技术人才,这不仅大幅增加人力成本,还加剧产品对部分人员的过度依赖,最后,调高了企业的用人门槛。

      定制化产品研发成本高昂
自工业进入标准化时代,标准化设计和生产思维,不仅能帮助普通人获得更多物美价廉的工业品,也帮助制造企业降低了产品研发,迭代和制造的成本。但随着标准化工业的成熟,市场趋近饱和,越来越多的行业出现同质性竞争,并最终陷入价格战的死循环,企业杀出重围的新方法,就是定制化的产品战略或向细分差异化领域下沉。这与传统的产品设计理论相悖。因为客制化,意味着产品研发成本的上升,同时会令企业丧失一部分敏捷的市场适应能力。因此既能依靠定制化产品和服务从同行中脱颖而出,又能有效控制成本和保证响应能力,成为了很多企业希望达成的目标。

产品设计研发数字化转型解决方案
      使用四种前沿的数字化方法论和工具,逐条论述其解决相应问题的具体方法和过程。这些工具与产品研发问题的对应关系见下表。
基于模型的系统工程方法论(MBSE)
      传统的产品管理(Traditional System Engineering,TSE),产品需求、系统的设计文档和图样等都是基于文档管理。而基于模型的系统工程(Module Based System Engineering,MBSE)是通过把研究对象的一些特性抽象出来,并使用标准化的表达方式进行描述,从而进一步进行研究的形象化管理方法。该设计方法论最早被广泛应用在航空航天领域,而现在,越来越多的实体领域也开始使用这种先进的产品设计思路,它相对于传统的产品管理方法,有如下优势:
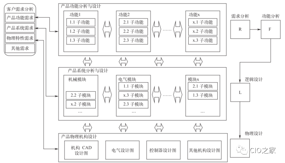
      第一,基于 MBSE 方法论的产品管理,严格基于需求(R)-功能(F)-逻辑(L)-物理结构(P)的架构来构建产品模型,MBSE 中会首先将原始需求进行分类,分成诸如商业、功能、性能和物料需求等,模型中接下来的环节,都将严格按照某一项需求逐级展开,不同于传统的产品设计团队独立于市场团队,基于 MBSE 方法论的产品设计,将市场团队视为产品研发流程中最前端也最重要的伙伴,每当需求变化,相关信息能够迅速传递到后续环节中的所有团队,帮助团队成员及时感知变更,并响应变更。在前文中列出的响应慢的问题,就可以获得解决。
      第二,在前文中罗列了“二义性”的问题。MBSE 不同于 TSE,所有的需求和技术文档都是通过文字描述的,所有产品系统架构的设计环节,不论是需求、功能、逻辑还是物理架构团队都强制使用标准的建模语言进行设计和沟通,能从根本上解决这个问题。
      第三,针对前文中讨论的产品版本管理所面临的挑战,基于 MBSE 的产品研发,当参与研发的任何一方在某个分系统中发生变更,首先,该变更首先应该由 MBSE 中设置的系统边界条件进行判定,不符合边界条件的变更将会被自动否决。即便通过判定,基于产品设计流程框架,如图1所示会依据产品模型内部定义的各系统和模块间的相关关系,向所有相关团队发送变更通知(理想系统中,相关联部件参数也能够自动变更以匹配然后生成最新版本);更重要的是,所有相关团队,都在统一系统平台内参与设计,确保团队每一次使用的产品系统模型都是最新版本,大幅降低版本误用的风险。

基于 MBSE 方法论的产品设计流程框架
      第四,MBSE 这种基于需求逐级关联的产品设计方法,是一种由外向内,由粗到细,从无到有的正向产品设计思路。在这个过程中,需求是产品设计的方向,功能定义是产品的架构,逻辑是连接各个系统的“神经”,最后从物理实现角度出发,设置真实的物理约束条件(如质量、大小、密度和能量等)。设计过程中,每一个环节任务明确,相互之间逻辑严密,设计过程中的每个环节既不容易遗漏,还都可以添加创新的元素。这能够帮助企业有效解决文中指出的问题,让企业的研发目标更加明确,研发流程更加清晰,正向研发效率也更高。目前市场中支持 MBSE 方法论的系统设计工具,有Catiamagic 和 Capella 平台。

产品生命周期管理系统(PLM)
      产品生命周期管理系统 (Production Life-cycle Management,PLM) 是传统产品信息管理系统 (ProductData Management,PDM)在功能上的延伸。其与企业资源管理系统 (Enterprise Resource Planning,ERP)一样是企业数字化转型中的重要支柱,区别在于,PLM 管理的对象是所有与产品相关的数据,其管理涵盖产品的整个生命周期,其中不仅包括图样、BOM 和生产工艺等,还囊括了需求管理、产品供应链管理、产品售后维护和项目管理等,其具体功能结构如图2所示。

PLM系统功能架构图
      其主要能够为企业带来如下的改善:

      首先,PLM 系统理论上可以将整个产业链的所有相关方整合为统一单元,这个单元既包含企业内部的产品团队,也包含客户和各级供应商。从客户视角来看(如 OEM 厂商),可以在这个平台上追踪产品项目的进展状况或各子系统的就位情况。针对机械行业企业,部分 PLM 产品,除提供 2D 或 3D 图样的联合绘制功能外,还集成了很多的CAD 和仿真软件(如 CATIA、SolidWorks和有限元分析软件 Abaqus 等),这使得合作方式从简单的协同制图,逐渐过渡到协同仿真与协同调试。其能够显著提高产品上下游团队之间的沟通和合作效率,帮助企业有效克服所阐述的产业链管理协同困难的问题。
      同时,针对前文中提到的问题,PLM 系统允许用户依据产品特性、功能等,对产品的相关数据进行分类和封装,这些数据包含需求、项目文档、图样和工艺参数等关键信息,并可以对这些模块进行标记。当团队获得一个新产品需求,研发团队可按照自定义的检索逻辑,依据需求,将已标记过的成熟模块“拼装”成对应的新产品,从而有效复用先前产品的知识。相较于传统的产品知识管理模式,对过往经验的使用,将不再依赖于少数核心技术人员,通过对新旧知识的有效封装,检索逻辑的准确定义,再结合企业标准的知识复用流程,一名普通的团队成员也可以依靠系统胜任之前核心研发人员才能够负担的工作。既能够降低项目夭折风险,又可以逐渐降低人力需求门槛。目前在市场当中较为成熟的 PLM 产品有 UGS Teamcenter 和 3DE 平台。

数字孪生
      数字孪生是一种集成多物理、多尺度、多学科属性,具有实时同步、忠实映射、高保真度特性,能够实现物理世界与信息世界交互与融合的技术手段。其与传统仿真技术刚好相反,是实物向虚拟世界的映射。理论上,实现了数字孪生的实体装备,其在虚拟空间中映射的模型,其静态与动态特性,都应该与物理实体完全一致。
      首先,在制造业领域,所有的产品在设计过程中都需要考虑生产匹配度的问题。结合数字孪生技术,通过对生产现场某些关键生产设备或产线进行数字孪生,可以帮助研发团队在计算机内部拥有一个“真实”的测试平台,用于评估产品设计的合理性,最大程度避免由于前期设计缺陷所导致的生产问题,尤其是避免设备的损坏甚至是报废。
      最后,针对前文中提到的问题,研发团队亦可对某些关键零部件或子系统的物理样机进行数字孪生,这些模型继承了物理设备的真实特性,因此可以被其他相关设计团队直接应用到自己的仿真系统中,甚至是同真实的物理系统进行线上、线下联合调试,如图3所示,帮助企业进一步压缩系统整合所需要的时间,大幅提升团队的研发速度。

3D 打印
      增材制造技术俗称 3D 打印技术,是近30年快速发展的先进制造技术,其优势在于三维结构的快速和自由制造。文章已指出了制造业企业所面临的同质化竞争和市场高定制化需求带来的双重挑战,3D 打印技术无疑是解决此类问题的利器,其可以在两个方面有效提高定制化产品的研发效率并降低研发成本。首先,依靠 3D 打印,研发部门可快速获得复杂结构的测试零件,这些样件能够帮助团队进行快速的定制化设计验证和试错,降低时间成本。同时,通过 3D 打印获得的零部件,相比较于传统采购获得的零件,成本下降明显(包括物料成本、沟通成本、加工成本和运输成本等)。被节约出来的资金又可被用于更多的研发试错中。

组合型数字化解决方案
      在上一部分介绍这几种前沿数字化工具的优势和使用方法,但遗憾的是,企业若只单独使用,则往往只能在某些点带来提高,且每一个新数字化工具的引入,就意味一个新“信息孤岛”的产生。若各信息孤岛之间无法实现有效的数据传输或是共享,那么越多工具的引入,就会对实际业务的正常开展造成更多的负面影响。因此在数字化转型中,这些工具的部署和使用,都应该是基于对整体研发业务需求和对现有系统互相兼容的原则下逐步实施的,以避免陷入“局部最优解”的窘境当中去。本文所提及的方法论和工具,将他们组合起来作为一个整体,各系统产生的数据流,在各组成机构中传输和共享,每个工具的作用都将被最大化的利用。该组合型解决方案的模型架构如图4所示。
      这里以某零部件需求变更为示例来描述这个模型的工作流程。
      客户需求文档通过 ERP 系统传递到企业的 PLM 系统中,由于该 PLM 系统中所有产品模型是基于 MBSE 方法论建立的,所以文字需求会被拆解,并最终提炼出客户的需求,此示例中为零件的减重需求。
      通过检索,企业在模型库中检索这个零件完整的 CAD 模型,基于以往封装好的减重设计经验参数包,PLM 系统能够将过往的减重经验直接复用在当前零件当中,并把这些方案的结果直接呈现在 3D 模型中。
      基于这些建议的模型,工程人员可以直接使用与 PLM 系统集成的仿真软件对这些方案进行类似受力分析等的逐一验证,通过仿真结果择优选择方案,若自动生成的方案有瑕疵,则只人工介入进行微调即可,同时,最终确定的模型,也可以在通过数字孪生所搭建的生产线中进行模拟生产,以评估方案的制造可行性。
      通过仿真和验证后的零件将触发 PLM 系统内的变更管理,基于 MBSE 中设计的产品系统架构,所有与之相关的团队都将收到变更通知。相关团队会使用新零件模型在自己负责的系统中进行仿真验证,无误后,在系统中确认。
      当所有仿真确认无误后,变更进入实机测试阶段,研发团队可将新零件的 CAD 设计图发送到 3D 打印团队,3D 图样在这里将被转换为打印图样。只需要很少的时间,打印出的零件原型就被寄往测试中心,参与实机测试。
      当实机测试通过后,新版本零件的设计图、工艺参数和PLC 程序等关键信息,将通过 PLM 系统直接上传到本企业或者是关联上下游企业的 MES 中,自动替换旧版本生产资料。必要时,MES 也可以直接使用 3D 打印机从事生产活动。
      该零件设计参数也将被总结、分类和封装后保存在 PLM 系统当中用于未来的复用。同时 PLM 系统日志中记录的流程信息又可被商务智能软件用于项目成本、状态、效率等商业领域的的数据监控和分析当中去。

产品设计研发数字化转型面临的挑战
      数字化转型能够为传统制造企业的产品研发与迭代注入更多的能量,但是在转型过程中,仍面临很多挑战。
      第一,是数据安全,传统的业务管理主要基于物理的文档和媒介,不法分子想要获取大量的信息并非易事,但在数字化转型后,大量甚至是全部企业数据都被存储在虚拟空间并同产业链的上下游连接,这在加速信息分享的同时,也增大了企业数据遗失造成的损失,因此,在数字化转型过程中,数据安全应当被作为最高优先级,并始终贯穿于整个数字化转型过程中。
      第二,一个行业中的上下游企业,拥有不同的管理流程,使用不同供应商的数字管理工具,鉴于各大供应商都采用孤立数字生态圈的竞争策略,系统互不兼容,这为破除信息孤岛设置了更多的人为障碍。
      第三,数字化人才队伍的培养,在数字化转型过程中,企业面临老员工不懂 IT 技术,外聘 IT 人员又不懂公司业务的窘境。如何维持老员工再学习和 IT 人才引进之间的平衡,也是企业在进行数字化转型过程当中需要认真思考的问题。
      第四,数字化转型是一项系统化、复杂化、高风险和高投入的活动。大型企业拥有足够的资源进行变革,进而在某些领域进一步加强优势。而对于很多身处同行业的中小企业而言,如何低耗高效地完成数字化转型,也是颇具价值的议题。

作者:博世(中国)投资有限公司苏州分公司集团信息中心 蔡伟平
昆明理工大学信息工程与自动化学院 龙华